产品概况
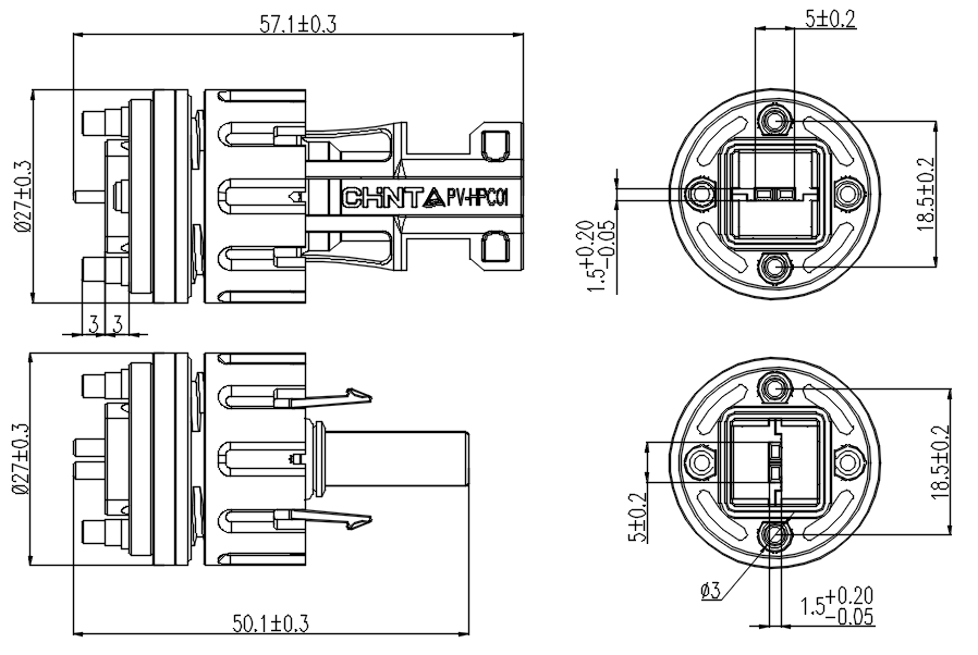
外形安装尺寸图

技术参数
产品名称 / Name
PV-HPC01x(x=blank)
额定电压 / Rated voltage
1500V
保护等级 / Protection level
ClassⅡ
额定电流 / Rated current
54A
接触电阻/ Contact Resistions
≤0.4mΩ
温度范围 / emperature range
-40℃~+85℃
插接寿命/Plug In Lifepan
≥100次
端子材料/Terminal Material
T2 镀锡/Sn Plated